当前位置 主页 > 首页 > 环境技术推广与应用事业部 > 部门动态 正文

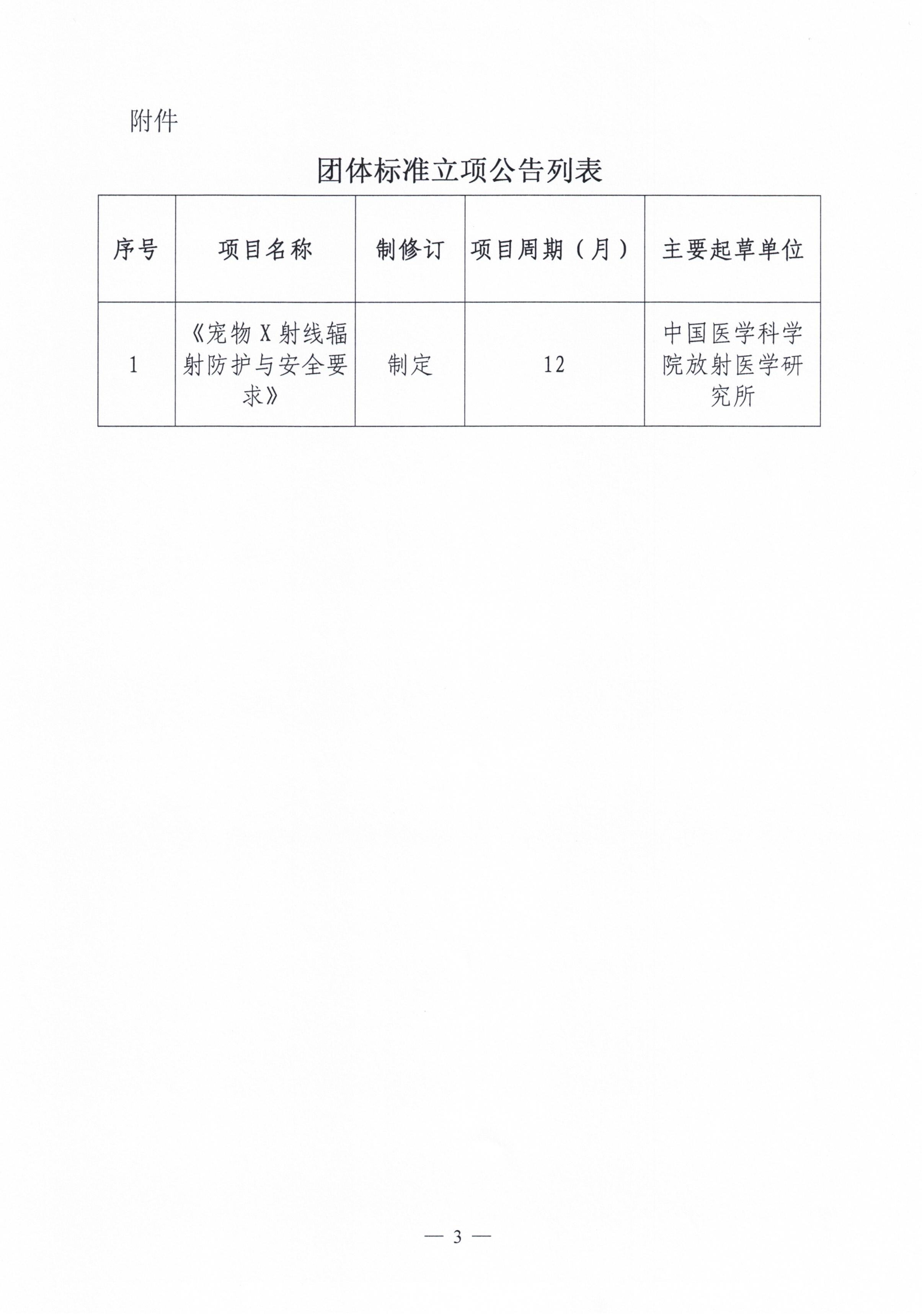
关于《宠物X射线辐射防护与安全要求》团体标准的立项公告

时间 : 2023-03-14     来源 : 未知     作者 : gyy     点击 : 次     



相关新闻